
AU6 SERIES
中空雙軸stage,線性馬達驅動,光學尺回授,無背隙,便於控制器做精度補償,高度低,重量輕,慣性小,高速運動中對機台反作用力小,有效降低機台震動。 中空設計便於下CCD或下光源安裝,適用於24/7的應用。
直度良好、直角度經過特別校正,足以應付半導體的應用。在速度200mm/sec以下連續操作溫昇極少,可滿足需要高精度的應用,極低摩擦軌道,並有珠串防止偏移設計,長時間頻繁運動也沒有珠串偏移卡死的顧慮。工作區中空涵蓋2”~12”範圍,若下CCD鏡筒ψ40mm 以下,鏡筒允許昇到中層上緣,以利對焦。 AU6 Series 可以和ACR Series直接組合成XYθ,以滿足需要角度微調的應用,請參考:ACR series。
直度良好、直角度經過特別校正,足以應付半導體的應用。在速度200mm/sec以下連續操作溫昇極少,可滿足需要高精度的應用,極低摩擦軌道,並有珠串防止偏移設計,長時間頻繁運動也沒有珠串偏移卡死的顧慮。工作區中空涵蓋2”~12”範圍,若下CCD鏡筒ψ40mm 以下,鏡筒允許昇到中層上緣,以利對焦。 AU6 Series 可以和ACR Series直接組合成XYθ,以滿足需要角度微調的應用,請參考:ACR series。
| AU6270PMⅡ5-OP270 | ||
|---|---|---|
| Dual Axis Open-frame Linear Motor Stage | ||
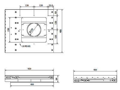
| Open-frame | mm | 230*230 |
| Travel | mm | 270*270 |
| Continuous speed(1) | mm/sec | 200 |
| Max. Speed (1) | mm/sec | 500 |
| Resolution | μm | 0.1 |
| Repeatibility | counts | ±3 |
| Max. acceleration(1) | m/s2 | 10 |
| straightness/flatness | μm/50 | ±1 |
| Linear Motor Peak Force | N | 176 |
| Linear Motor Continuous Current | Amps | 2 |
| (1)Max. Speed may be limited by system data rate and system resolution. | ||
| AU6 | 120 | P | MⅡ5- | OP166- | |
|---|---|---|---|---|---|
| Travel | Motor | 光學尺型式 | 中間層開口長度 | Option | |
| 120 | P:標準 | 166 | AC:Air Cooling | ||
| 170 | P6:下軸加大 | 216 | AT:build in Air Tube | ||
| 220 | 266 | for Vacccum | |||
| 270 | 316 | ||||
| 320 | 366 | ||||
| 每50mm一個型號 |
| 馬達線色 |
|---|
| M1:黃/橙 |
| M2:藍/綠 |
| M3:棕/黑 |
| PE:隔離網 |
| 光學尺接頭 | |||
|---|---|---|---|
| 15 PIN D-Sub/Male | |||
| 1 | Right Limit+ | 9 | Ground |
| 2 | Ground | 10 | Left Limit+ |
| 3 | Right Limit- | 11 | Left Limit- |
| 4 | Index- | 12 | Index+ |
| 5 | B- | 13 | B+ |
| 6 | A- | 14 | A+ |
| 7 | 5V | 15 | Do not connect |
| 8 | 5V | ||
33044桃園市桃園區同安街336巷83號 統一編號:28139716
No.83, Ln. 336, Tong’an St., Taoyuan Dist., Taoyuan City 330, Taiwan (R.O.C.)




