
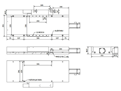
ASR SERIES
循環式軌道單軸,在長行程應用較省空間,線性馬達或螺桿驅動,光學尺回授,硬式 上防塵蓋,側邊防塵帶阻力均勻,也可以加正壓防塵,或側邊金屬帶加磁力密封防塵,這類平台我們製做範圍限制在寬度400mm以下,長度1000mm以下,行程每100mm一個級距。
| ASR-LM-225-400 | ||
|---|---|---|
| Signle Axis Circulating Braring Linear Motor Stage | ||
| Travel | mm | 400 |
| Continuous speed(1) | mm/sec | 200 |
| Max. Speed (1) | mm/sec | 250 |
| Resolution | μm | 0.1 |
| Repeatibility | counts | ±3 |
| Max. acceleration(1) | m/s2 | 10 |
| straightness/flatness | μm | ±5 |
| Linear Motor Peak Force | N | 264 |
| Linear Motor Continuous Current | Amps | 2 |
| ASR-SB5-225-400 | ||
|---|---|---|
| Signle Axis Circulating Braring Ball Screw Stage | ||
| Travel | mm | 400 |
| Continuous speed(1) | mm/sec | 200 |
| Max. Speed (1) | mm/sec | 250 |
| Resolution | μm | 0.1 |
| Repeatibility | counts | ±3 |
| Max. acceleration(1) | m/s2 | 10 |
| straightness/flatness | μm | ±5 |
| Motor Power | W | 400 |
| Ball Screw Pitch | mm | 5 |
| (1)Max. Speed may be limited by system data rate and system resolution. | ||
| 型式 | 驅動方式 | 寬度 | 行程 | 備註 |
|---|---|---|---|---|
| ASR- | SB5- | 225- | 400 | L:外加封閉式光學尺 |
| SB5:伺服馬達+螺桿驅動 | 250 | 500 | ||
| LM:線馬驅動 | 350 | 600 |
| 馬達線色 |
|---|
| M1:黃/橙 |
| M2:藍/綠 |
| M3:棕/黑 |
| PE:隔離網 |
| 光學尺接頭 | |||
|---|---|---|---|
| 15 PIN D-Sub/Male | |||
| 1 | Right Limit+ | 9 | Ground |
| 2 | Ground | 10 | Left Limit+ |
| 3 | Right Limit- | 11 | Left Limit- |
| 4 | Index- | 12 | Index+ |
| 5 | B- | 13 | B+ |
| 6 | A- | 14 | A+ |
| 7 | 5V | 15 | Do not connect |
| 8 | 5V | ||
33044桃園市桃園區同安街336巷83號 統一編號:28139716
No.83, Ln. 336, Tong’an St., Taoyuan Dist., Taoyuan City 330, Taiwan (R.O.C.)


